Stainless Steel 316 Marine U-bolt with 2 counter plates Rigging Ship Yacht Boat Hardware.
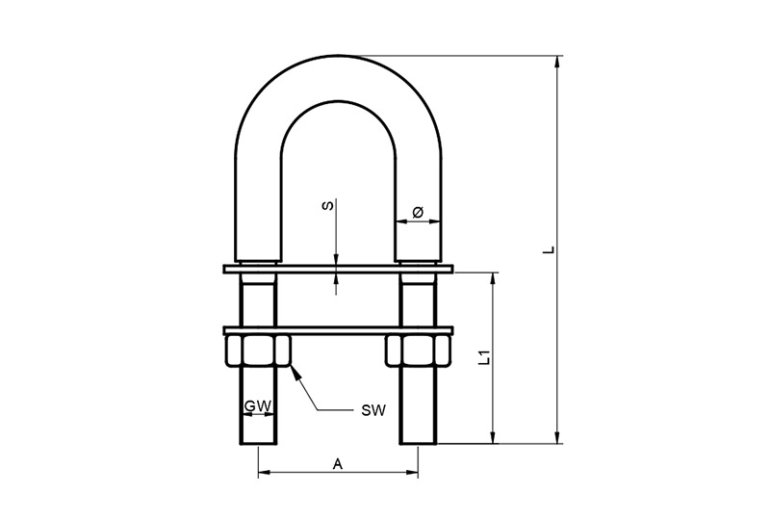
| GS68651 | U-bolt with 2 counter plates | |||||||
| Item-No. | GW | ø | L | L1 | A | S | Drive | |
| GS68651408100 | M8 | 10 | 100 | 50 | 45 | 2 | SW13 | |
| GS68651410100 | M10 | 12 | 100 | 48 | 40 | 2 | SW17 | |
| GS68651412120 | M12 | 14 | 120 | 78 | 47 | 2 | SW19 | |
NO.837,12th Road Huanghe,Binzhou Shandong China. P.C.:256616